PCB Designing Services

Our Products

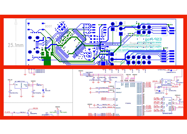
PCB Designing Services

We designe single-layer,double-layer,multi-layers PCBs to your requirement.Given the schematic we develop it to layout and gerber format for pcb manufacturing.